Category
Hydrover products
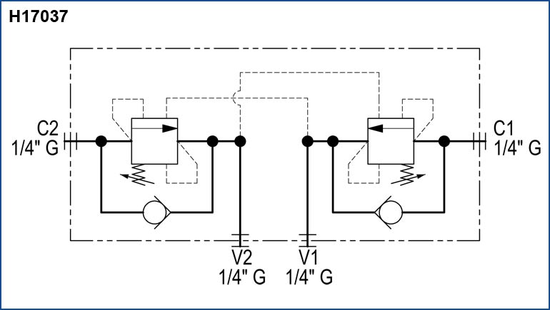
With Bosch Rexroth overcenter valves VBSN-08AA.



