sales@fphydraulique.com
+33 (0)4 50 34 57 77
Log In
Sign Up
Lost password?
Log In
Home
About us
Products
Search product
Hydrover products
OE/OS configurator
Custom HICS
News
Bosch Rexroth & Hydraforce
Contacts
EN
FR
IT
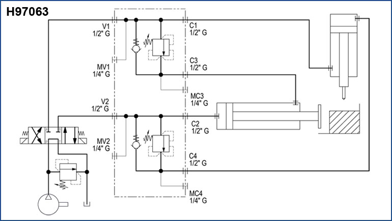
New H97063 - Integrated circuit with two sequence circuits 1/2” G
250 bar - 80 lpm
Category
Hydrover products
Download the catalogue