Category
Hydrover products
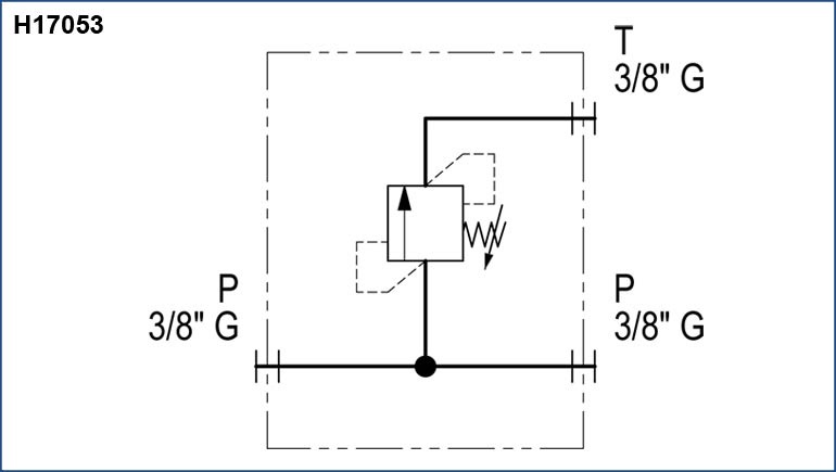
Aluminium manifold, VMD1.025 Bosch Rexroth relief valve.



