sales@fphydraulique.com
+33 (0)4 50 34 57 77
Log In
Sign Up
Lost password?
Log In
Home
About us
Products
Search product
Hydrover products
OE/OS configurator
Custom HICS
News
Bosch Rexroth & Hydraforce
Contacts
EN
FR
IT
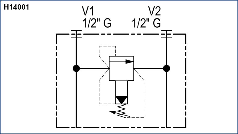
New single effect relief valve for OMH-OMP-OMR motors
Q max. 80 lpm - 1/2" G
Category
Hydrover products
Download the catalogue