Categorie
Hydrover products
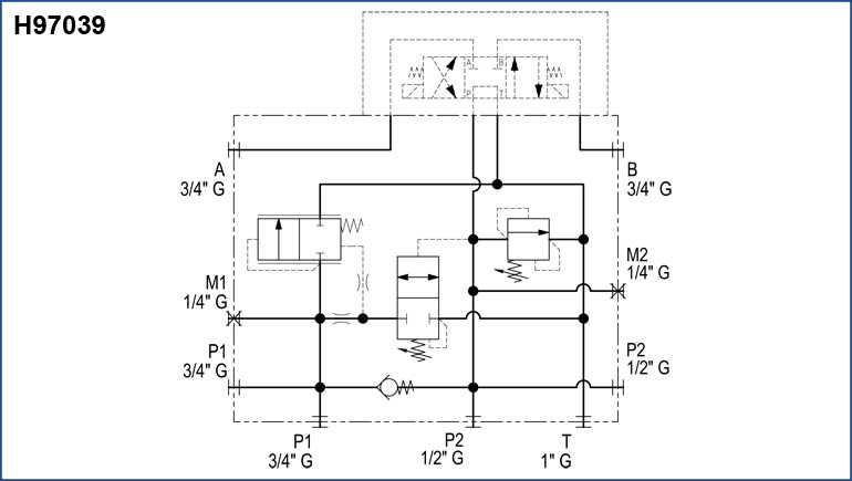
Under the unloading valve pressure setting, the Cetop 5 valve is powered by both pumps, allowing the maximum speed of movement.
Upon reaching the pressure setting of the unloading valve, the P1 line is sent to T.
The typical application of this valve is the log splitter.



