sales@fphydraulique.com
+33 (0)4 50 34 57 77
S'identifier
S'inscrire
Mot de passe perdu?
S'identifier
Home
A propos
Produits
Recherche produit
Produits Hydrover
Configurateur OE/OS
Blocs hydraulique spéciaux
News
Bosch Rexroth & Hydraforce
Contacts
FR
EN
IT
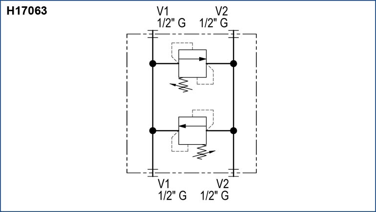
New Inline relief valve double effect H17063
V1 V2 ports 1/2” G / 40 lpm
Categorie
Hydrover products
Download the catalogue