Categorie
Hydrover products
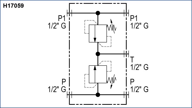
Two crossing pressure lines P and P1, and one tank line. All ports 1/2" G.



