Categorie
Hydrover products
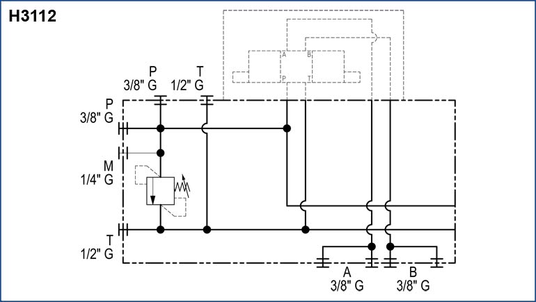
Our Cetop 3 modular sytem have now a new subplate, 1 station, relief valve, side and back P-T-A-B ports.



