Categorie
Hydrover products
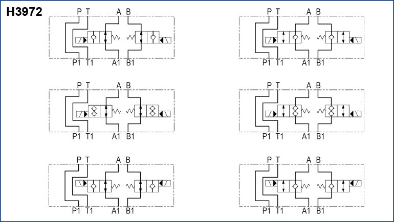
CA-10A-2N cavity. Available normally open or normally closed, also in double blocking. H3972 model.



