Categorie
Hydrover products
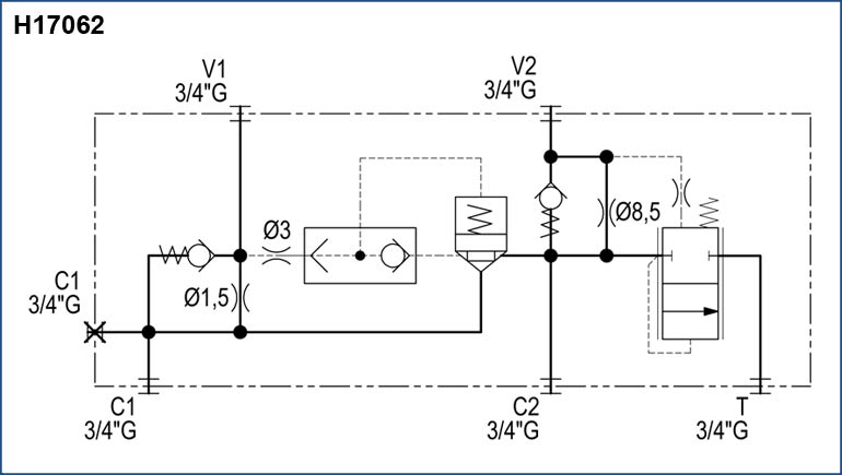
From a cylinder, the flow rate in return side breech is greater than the sent oil.
For example, if the pump flow rate is 80 lpm and the ratio of areas of the cylinder is 1: 2, the flow rate in return will be 160 lpm.
The quick unloading function allows the H17062S to unload 90 lpm to tank besides thoses managed from the directional valve for a maximum total flow rate of 170 lpm.



