Categorie
Hydrover products
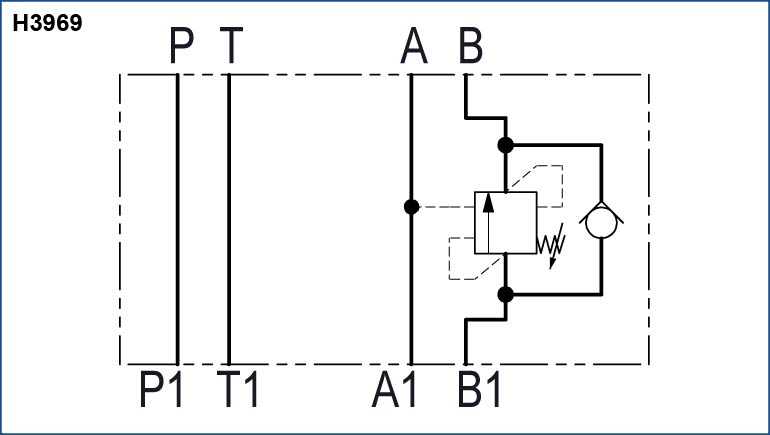
We've add to our Cetop 3 modular valves family this overcenter on B max. flow 25 lpm, available with 2 pressure range settings.



