sales@fphydraulique.com
+33 (0)4 50 34 57 77
S'identifier
S'inscrire
Mot de passe perdu?
S'identifier
Home
A propos
Produits
Recherche produit
Produits Hydrover
Configurateur OE/OS
Blocs hydraulique spéciaux
News
Bosch Rexroth & Hydraforce
Contacts
FR
EN
IT
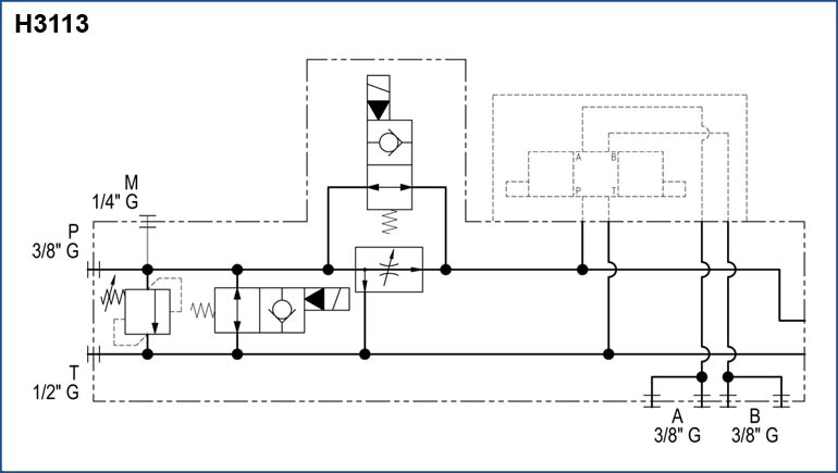
New Cetop 3 subplate with fast/slow speed H3113
3 way flow regulation / relief and bypass valve
Categorie
Hydrover products
Download the catalogue