Categoria
Prodotti Hydrover
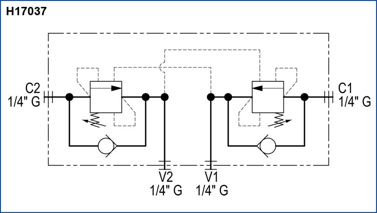
Con valvole di bilanciamento Bosch Rexroth VBSN-08AA.



