Categoria
Prodotti Hydrover
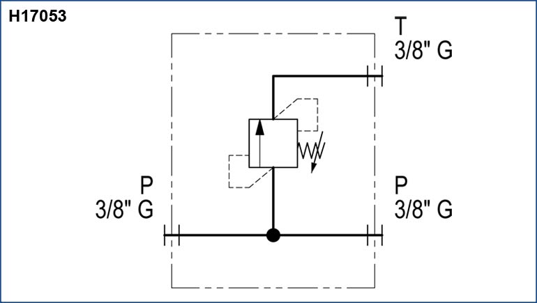
Collettore in aluminio, valvola di massima pressione VMD1.025.



