Categoria
Prodotti Hydrover
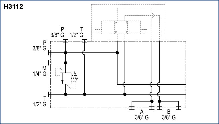
La gamma delle nostri basi Cetop 3 componibili si completa con la H3112, 1 postazione, valvola di massima pressione, P-T-A-B laterali e posteriori.



