Categoria
Prodotti Hydrover
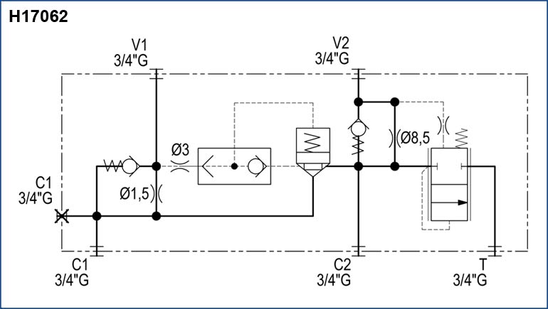
La portata in ritorno di un cilindro lato culatta è maggiore di quella in
mandata.
Per esempio se la mandata è di 80 lt/1 e il rapporto d’aree del cilindro è di 1:2, la portata in ritorno sarà di 160 lt/1.
La funzione di scarico rapido dell’H17062S permette di smaltire 90 lt/1 oltre a quelli gestiti dalla valvola direzionale, per una portata massima complessiva di 170 lt/1.



