sales@fphydraulique.com
+33 (0)4 50 34 57 77
Log In
Registrarsi
Password smarrita?
Log In
Home
Chi siamo
Prodotti
Cerca prodotto
Prodotti Hydrover
Configuratore OE/OS
Blocchi integrati speciali
News
Bosch Rexroth & Hydraforce
Contatti
IT
FR
EN
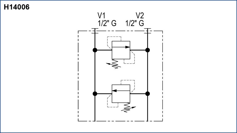
Nuova H14006 - Valvola di massima pressione doppio effetto flangiata su motori Parker TE
40 lt/1 / 250 bar
Categoria
Prodotti Hydrover
Scaricare il catalogo