Categoria
Prodotti Hydrover
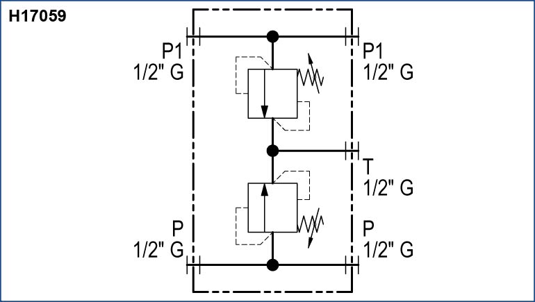
Due linee di pressione passanti P e P1 e un T, tutti da 1/2" G.



