sales@fphydraulique.com
+33 (0)4 50 34 57 77
Log In
Registrarsi
Password smarrita?
Log In
Home
Chi siamo
Prodotti
Cerca prodotto
Prodotti Hydrover
Configuratore OE/OS
Blocchi integrati speciali
News
Bosch Rexroth & Hydraforce
Contatti
IT
FR
EN
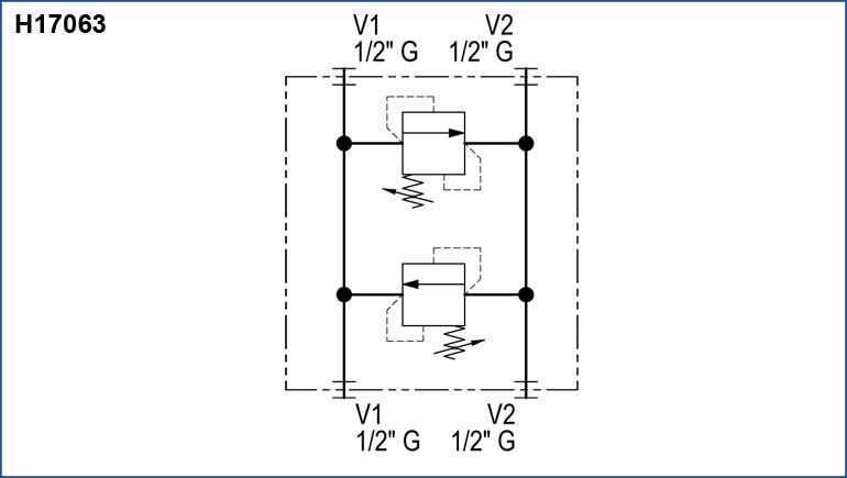
Nuova valvola in linea di massima pressione a doppio effetto H17063
V1 - V2 1/2” G / 40 lt/1
Categoria
Prodotti Hydrover
Scaricare il catalogo