Categoria
Prodotti Hydrover
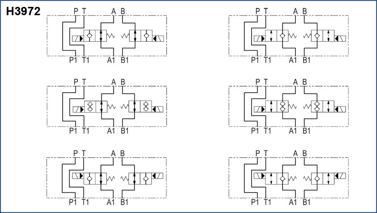
Cavità CA-10A-2N. Disponibile con cartucce normalmente aperte, normalmente chiuse, anche a doppia tenuta. Modello H3972.



