Categoria
Prodotti Hydrover
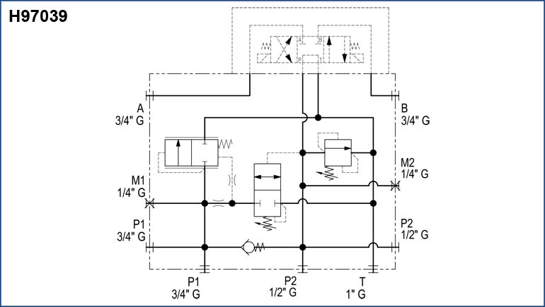
Sotto la pressione di taratura della valvola di esclusione, la valvola Cetop 5 è alimentata da entrambe le pompe, autorizzando la massima velocità di movimento.
Al raggiungimento della pressione di taratura della valvola di esclusione, la linea P1 è mandata in T.
L'applicazione tipica di questa valvola è lo spaccalegna.



