Categoria
Prodotti Hydrover
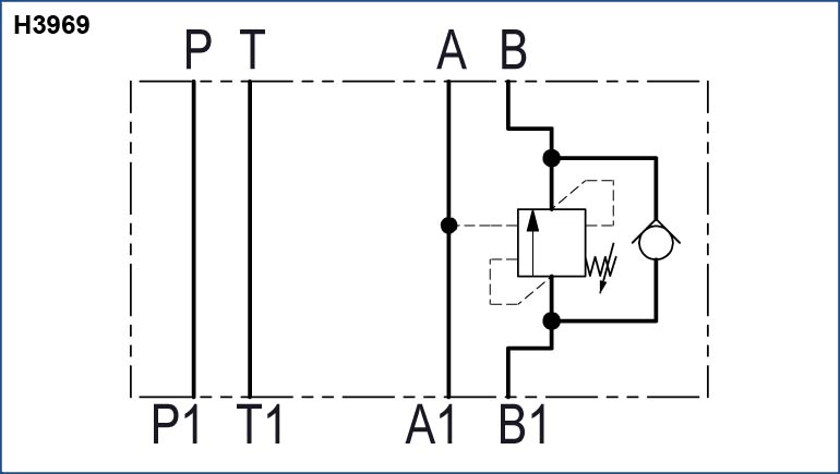
Abbiamo aggiunto alla nostra gamma di modulari Cetop 3 con valvole di bilanciamento il modello da 25 lt/1 su B, disponibile con 2 campi di taratura.



